DiplexeursPRO-DIPX 174/223-960-...

Diplexer for the 0 - 174 MHz and 223 - 960 MHz Ranges

Description

  • Diplexer for combining or splitting the two ranges 0 - 174 MHz and 223 - 960 MHz.
  • Excellent wide-band coverage.
  • Very low ripple and insertion loss in the pass bands.
  • Isolation better than 30 dB.
  • Provided with N-connectors. (Other types on request)
  • Aluminium profile box ensures extraordinary high mechanical strength.
  • Black vinyl-coated to prevent corrosion.
  • Provided with brackets for panel mouting.

Spécifications

Électrique FR
Modèle PRO-DIPX 174/223-960-...
Fréquence Ant-low port : 0 - 174 MHz
Ant-high port : 223 - 960 MHz
Type Diplexeur
Puissance D'Entrée Max. 50 W each port
Perte D'Insertion < 0.5 dB
Impédance 50 Ω
Isolement Low to high port : 30 dB
ROS < 1.5:1
Mécanique FR
Connexion(s) N(f)
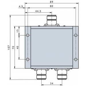
Dimensions 107 x 89 x 30 mm
Poids Environ 0.35 kg
Fixation 4.2 mm dia. (4 holes)
Environnement
Gamme De Température De Fonctionnement -30 °C to +60 °C
Protection Contre La Pénétration IP64

Diagramme et Montage

TYPICAL RESPONSE CURVE

MECHANICAL DIMENSIONS

Désignations de commande

Model N ° de produit
PRO-DIPX 174/223-960-N 200001848