Duplex FiltersMIX 150/6

6-Resonator Mini-Duplexer for the 150 MHz band

Description

  • The MIX 150/6 is a 6-resonator miniaturized duplex filter for digital/analog repeaters. This compact “miniplexer” meets the demand for a modern space-saving, high-performance filter type.
  • The miniaturization of the filter has been realized by using special high-Q, temperature-compensated helical resonators with discrete-component interconnections.
  • The housing is made of aluminium and the connectors are provided with teflon insulation.
  • The model can be tuned within the band 136 - 174 MHz, min. Tx/Rx spacing 4 MHz.
 

Specifications

Electrical
Model MIX 150/6
Frequency 136 - 174 MHz
Max. Input Power 15 W
Insertion Loss Tx-Ant and Ant-Rx < 2.0 dB (typ. 1.5 dB)
Spacing Tx-Rx > 4 MHz
Impedance 50 Ω
Isolation > 60 dB (In-band)
VSWR ≤ 2.0:1 (typ. ≤ 1.5:1)
Bandwidth 4 MHz
Mechanical
Connection(s) SMA(f)
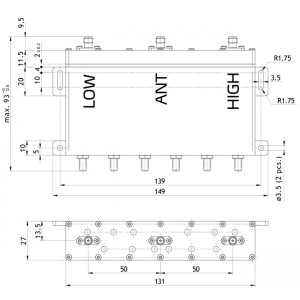
Dimensions 93 x 149 x 27 mm / 3.66 x 5.86 x 1.06 in.
Weight Approx. 0.5 kg / 1.10 lb.
Environmental
Operating temperature range -30 °C to +60 °C

Diagram and Mounting

MOUNTING DETAILS

TYPICAL RESPONSE CURVES

Ordering Designations

Model Product No.
MIX 150/6 200002145
Accessories
Mounting Kit for HYTERA RD 965 200002517

Please Note

The HYTERA cable kit is used for mounting the duplexer inside the HYTERA RD 965 repeater.
It consist of 3 cables. A manual for mounting the duplexer is provided with the kit.

Oredring Information

When ordering please specify Tx and Rx frequencies, the duplexers are delivered factory adjusted.
If Tx and Rx frequencies are not stated, the filters are delivered non-adjusted.

Mounting Details

MIX 150 6 holeplacing

All dimensions are given in mm.

Typical response curve

MIX 150 6 Curve